実験
実験は楽しいものです。別に肩肘張らなくても、不確定要素がある行為は全て実験と言えます。子供の頃やった、虫眼鏡で紙を燃やしてみると黒い紙の方が早く燃え出すとか、花火の火薬をほぐして大きな筒に入れて火をつけても、爆発せずにシューシュー燃えるだけだとか、テレビのブラウン管に石をぶつけて壊すとすごい音がするとか、いろんな遊びも実験です。(私の子供の頃は、私だけでなく周りの子供もかなり危険なことも平気でやっていたような気がします。)
ここでは、興味本位や必要に駆られて行った実験内容を掲載します。ただし内容についての責任は取りかねますので、追試される方はあくまで自己責任でお願いします。
テーマ1:アルカリ乾電池は充電できるか?
結論を先に申しますと出来ます。
私は電動歯ブラシを愛用しています。それも充電式の高級なものではなく、オムロンの乾電池で動くやつです。単3乾電池で動きますから、本体は廉価で軽量です。しかし問題があります。アルカリ乾電池です。このような短時間に高負荷が加わる用途にはアルカリ乾電池が使われますが、それでも1週間に2本ぐらいは消費します。従って、気がつくとごみ箱にアルカリ乾電池が山になるわけです。おまけに乾電池と云うやつは外見は購入した時とまったく変化しませんから、何か非常に資源を無駄にしているような気がします。乾電池回収箱がありますが、別にリサイクルが目的ではなく、環境汚染を防止するため管理して捨てるだけです。ニッカドなどの充電式を使えば良いのでしょうが、電圧が1.2Vですからパワー不足です。それならばと、アルカリ乾電池の再生に挑戦です。
いろんな本にも書いてありますが、アルカリ乾電池の電解液はとても危険です。人間の皮膚は酸には比較的強いのですが、アルカリにはとても弱いのです。(私の経験です、一般論ではありません)アルカリ乾電池を充電するとガスが発生し、内圧が上昇して電解液が漏れ出します。再生するにはガスを発生させないように充電する必要があります。といってもそんな方法はどの本にも載っていません。「アルカリ乾電池は危険だから絶対充電しないでください。」と書いてあるだけです。
私なりに充電条件を検討します。充電電流は0.1C以下に抑えます。ニッカドなどを穏やかに充電するのはこのぐらいでしょうか?それと端子電圧の上昇に注意します。端子電圧が定格を越えるとガスが急激に発生するのでは?との推測からです。従って定電流充電ではなく、初めぱっぱの次第にちょろちょろ充電です。このように書くと難しいことをやるようですが、定電圧電源に電流制限抵抗と逆流防止ダイオードを付けただけの回路です。使用済みアルカリ乾電池を用意して実験です
| 充電時間 | サンプル1 | サンプル2 |
| 0hr | 1.462V | 1.491V |
| 1hr | 1.484V | 1.515V |
| 2hr | 1.490V | 1.525V |
| 3hr | 1.495V | 1.533V |
| 4hr | 1.500V | 1.543V |
| 5hr | 1.506V | 1.552V |
| 6hr | 1.509V | 1.556V |
| 7hr | 1.513V | 1.562V |

充電電流が少ないこともあって、なかなか端子電圧は上がって来ませんが、怖い液漏れも起こしていません。充電後は、殆ど動かなかったモータが新品電池とはいかなくてもそれなりに動きます。起電力は回復するようです。一番怖い液漏れが起きないので、この条件で長時間充電してみることにします。ちょっとしか充電させないのに電源を動かしっぱなしにするのは気が引けるので、太陽電池と3端子レギュレータで充電回路を作りました。これなら、エコロジーです。

太陽電池の設置場所は西向きの窓のため、1日の充電時間は5−6時間です。1週間放置しましたが、やはり液漏れはしません。無負荷端子電圧は、1.6Vぐらいまでは戻っています。使ってみた感じでは最初は新品以上ですが、起電力の低下が早いようです。しかし、殆ど放電し尽くした電池でこの程度回復するのですから、ある程度起電力が落ちた時点で充電すればもっと回復するでしょう。

’99年3月末からこの充電器を使っていますが、今まで液漏れ事故は起こしていません。これまでに20本ぐらい繰り返し充電しましたが、完全に電池としての機能を失ったのは2本だけで、しかもこの2本は初期の実験に使った完全に使用不能になったところから充電を始めた8本の内の2本です。新品から始めて過放電させる前に充電したものは、10回は再使用しています。これも使えなくなったので捨てるのではなく、冬場や梅雨どきの日照時間が短いとき、充電時間が取れなくて新品に交換しただけです。ただ気温の低い冬場は充電しても回復がよくありません。アルカリ乾電池は富士通と松下製をテストしましたが、差は感じませんでした。市販で充電可能なアルカリ乾電池がありますが、充電回数は25回程度のようです。通常のアルカリ乾電池と構造的に何が異なるのでしょうか?
きちんとした実験としては、ここで液漏れを起こす限界を求めて安全な充電条件マージンを求めるとか、各メーカのアルカリ乾電池の再生特性を測定する、などが考えられるが、目的である電動歯ブラシの電池再生には十分なので、これで打ち切りにしました。充電時間が長時間なため、4本一組として約1週間サイクルで充電を繰り返しています。(太陽電池の設置場所が良ければもっと短く出来るんですが!)1本当たり約1.5日使用して、残り5.5日充電するといった具合です。一組3ヶ月は使いますので、10回は再生している勘定です。電池ごみは非常に減りました。
注意:この実験内容を追試して、損害や障害が発生しても責任は負いかねます。アルカリ乾電池の充電は非常に危険です。実験される方は自己責任でお願いします。
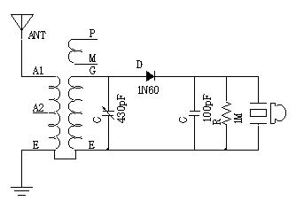
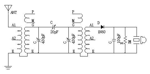
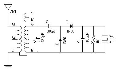
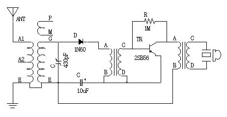
テーマ2:ゲルマラジオ
ゲルマラジオ。私と同世代の方なら一度は作ったことがあると思います。完成品やキットが沢山売っていました。子供向けの学習雑誌「科学と学習」の付録にも有った記憶があります。コイルとバリコンとゲルマニュームダイオードだけで電池も要らないのに、クリスタルイヤホンを付けると小さな音で数局が混じって聞こえる。空気中に電波が満ちていると云う不思議な感覚を感じました。細かいようですが、鉱石ラジオとゲルマラジオは次元が違います。鉱石ラジオは鉱石検波器がその繊細且つ不安定さから最も重要な部品でしたが、ゲルマニュームダイオードの出現は検波器を抵抗やコンデンサと同レベルの扱い易いものにしました。そのため、子供でも作れる最も簡単なラジオとなったのがゲルマラジオです。

ゲルマラジオを聞いていると最初はその不思議さに感動していますが、段々不満が出てきます。つまり、
1.数局が混じって聞こえる。1局ずつ選局したい。
2.音が小さい。スピーカで聞きたい。
3.アンテナ、アースが邪魔。
ゲルマラジオを聞いたことのあるかなりの人がこの改良を試みたことがある筈です。私も子供の頃から色々作って、未だに取りつかれています。この魅力的な課題についてこれまでの調査検討結果をまとめてみましょう。
1.混信を防ぐには?
ゲルマラジオの周波数選択機能はコイルとバリコンによる同調回路しかありません。混信を防ぐにはこの同調回路のQを高くするしかありませんが、同調回路には音声を取り出す検波器が直結されるためQが低下してしまいます。そこで同調回路を2個設ける複同調回路が考えられます。

私もずーっと昔にテストしたことがあるのですが、効果があったかどうか記憶にありません。同調回路間の結合を弱くすると音が小さくなるし、結合を強くすると分離が悪くなる筈ですから、それほど効果が無かったので記憶に残らなかったのかもしれません。ずっとゲルマラジオの分離は良くならないものと思っていました。しかし、最近ダンボール箱にポリウレタン線を巻いたアンテナコイルで実験したところ、複同調回路など使わなくても混信がまったくありませんでした。また部品のページに掲載した60φの並4コイルでゲルマラジオを作るとバリコンできちんと選局できました。どうも子供の頃からの認識は間違いだったようです。大型の空芯同調コイルの何が良いのか分かりませんが、バーアンテナなどとはまったく性能が違います。
2.大きな音で聞くには?スピーカを鳴らす。
ゲルマラジオはアンテナから入ってくる電力が全てですから大きな音で聞くのは簡単です。大きなアンテナを立てる。完全なアースを取る。放送局の近くに引っ越す。しかし、ゲルマラジオの改良で対応するのはなかなか大変です。
まず考えられるのが、検波器の性能を上げる。ゲルマニュームダイオードといえども順方向電圧降下があります。ダイオードに流れる電流が大きいほど電圧降下も大きくなりますので、ダイオードを並列にして1個当たりに流れる電流を減らせば電圧降下が減って音声電圧が大きくなるはずです。しかし、同調回路への負荷が増えるに対してゲルマニュームダイオードの電圧降下減少分の効果が少ないのでメリットはありません。
次に考えられるのが倍電圧検波です。同調回路からの高周波を全波整流すれば、片波整流の倍の電圧が得られます。これは効果があります。しかし2倍圧検波(全波整流)以上の3、4倍圧検波などは同調回路からの高周波電圧が大きければ効果があるのでしょうが、数百mV程度の高周波電圧ではダイオードが増えたことによる損失が上回ります。1Vぐらい取れる電波の強い地域では効果があるかもしれません。

もう一つの方法は増幅することです。ごれはゲルマニュームラジオとしては邪道ですが無電源ラジオとしては面白いと思います。ゲルマニュームダイオードで検波した電圧には直流成分と交流成分があります。音声は交流成分なので直流成分は不要です。この不要の直流成分を電源にして音声を増幅します。電波の強い地域で倍電圧検波を行えば結構実用になるかもしれません。増幅用デバイスとしてはゲルマニュームトランジスタと接合型FETが有効と思われます。(この方式でスピーカを鳴らしているラジオがありました。'01 3/12)

以上の方法で大きな音声電圧を取り出せればスピーカが鳴らせます。小型のラジオに付いている8Ωのスピーカならば10mVp−p程度の電圧が加えられれば聞き取ることができます。検波回路をこんな低いインピーダンスに直結することはできませんので、トランスでインピーダンス変換します。しかし、通常のスピーカ+トランスでは効率が悪くてなかなか鳴らないでしょう。成功した人は効率の良いスピーカを選定しているようです。私は未だに成功したことがありません。
3.アンテナ、アース無しで鳴らす。
アンテナ、アース無しでゲルマラジオを鳴らすには、同調回路自体をアンテナにすれば出来ます。つまりループアンテナです。大型のループアンテナの効果はかなりのものです。ループアンテナのみでスピーカを鳴らしている人もいるようです。ループアンテナ(超大型のアンテナコイル)を作るコツは巻き線間の静電容量を出来るだけ抑えることです。そのためスパイダーコイルやバスケットコイルが有効です。(巻き線の重なり部分が少なく線間容量を最小に出来る。)巻き線材も被覆の薄いポリウレタン線はだめで、通常の被服電線の方が良いようです。私もダンボール箱にポリウレタン線を巻いて大型アンテナコイルの実験をしましたが、線間容量が大きくて巻き数を多くすると同調できませんでした。
4.電灯線アンテナ
ゲルマラジオを鳴らすとは通常アンテナが必要です。このアンテナとして電灯線アンテナと云うのがあります。日本の商用電力は電柱(子供の頃は電信柱と呼んでいたような気がします。死語?)の上の空中配線で送られてきます。これは見方を変えれば長大なアンテナです。この電線に乗ってくる電波を取り出すのを電灯線アンテナと言います。通常AC100Vをカットするための100PFぐらいのコンデンサを繋いでコンセントに接続します。昔のゲルマラジオには殆どこれがついていたように記憶しています。

この電灯線アンテナはちょっと不思議です。もし沢山のゲルマラジオがあって家中のコンセントに繋いだら全部鳴るのでしょうか?これを考え始めたのは一つのゲルマラジオで取り出せる音声電力には限界があるため、複数のゲルマラジオを用意して電力合成によって大きな音声電力を取り出せないか?と思いついたからです。複数のゲルマラジオを鳴らすにはアンテナも複数必要ですが、長大なアンテナを複数用意するのは不可能です。電灯線アンテナならばコンセントがあればアンテナになるわけですから、複数のゲルマラジオを作ってトランスで音声電圧を電力合成する実験ができます。しかし、電線にラジオ電波が無限に重畳されている筈はないですから、取り出せる電力はどのように考えれば良いのでしょうか?アンテナ理論に詳しい方ご教授ください。
5.おまけ:教材2型ゲルマラジオ
模型とラジオ1969年4月号に教材2型ゲルマラジオの記事がありました。この本は子供の科学で有名な科学教材社が出版していたもので、教材2型ゲルマラジオも科学教材社が発売していたキットです。このキットの子孫は今でも売られています。鉱石ラジオの流れを引いてコイルのタップ切り換えがあるゲルマラジオとしては立派な回路です。
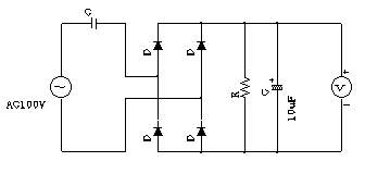
テーマ3:トランスレスAC変圧回路
AC電圧の変圧にはトランスを使うしかありませんが、高価で重たく結構大変です。今回AC100VからDC5Vを得るための変圧回路に、コンデンサによる分圧回路をテストしたところ良好な結果が得られたので、掲載することにしました。
| C | R | 出力電圧 | 出力電流 |
| 0.47μF | 390Ω | 6.2V | 16mA |
| 0.47μF | 150Ω | 2.5V | 17mA |
| 0.94μF | 390Ω | 11.8V | 30mA |
| 0.94μF | 150Ω | 4.9V | 33mA |

右の回路でCとRの値を変えて出力電圧を測定しました。負荷が変わっても取り出せる電流値はほぼ結合コンデンサの容量で決まっているようです。無極性コンデンサとしては1μFぐらいが適当で、これ以上になるとトランスを使った方が大きさ的には有利になりますから、数V,数十mA程度の負荷までが実用的な回路でしょう。しかし、トランス無しにDC電圧が取り出せるのは魅力的です。実用レベル開発品の電源周波数変換器のロジック用電源もこの回路で作りました。しかし、計算で部品定数を正確に求めるのは困難そうです。そういえば、トランスで変圧して整流した電源電圧も正確に見積もるのは困難だったことを思い出しました。いずれにしろ結構簡単で便利な回路なので、今後多用しようと思います。
テーマ4:レベル変換回路
アナログ信号やECLレベルの信号をCMOS(TTL?)レベルに変換することが必要なことは良くあります。しかし、そのような専用のICは市販されていませんので、通常のロジックICを工夫して変換することになります。簡単な回路でも何種類かバリエーションが考えられますが、その優劣を比較した解説は見たことがありませんのでテストしてみました。
(入力周波数1MHz,ゲートは74HC04)
A:入力信号無し 発振
入力信号200mVp-p以上安定動作
B:R 10kΩ 入力信号無し 発振
入力信号200mVp-p以上安定動作
R 100kΩ 入力信号レベルに関係せず発振
C:出力”H”のまま動作せず
D:R 10k、100kΩ変えても出力”H”のまま動作せず
E:入力信号無し 出力”L”
入力信号100mVp-p以上安定動作
これらの回路をテストしたのはずいぶん前のことになります。秋月電子よりMB506を用いたプリスケーラキットが発売されて(’88年頃)すぐ購入したのですが、初期のキットはMB506の出力をトランジスタ1石でレベル変換していて、この部分がうまく動きませんでした。ベース電流を最適に調整して何とか動作させたのですがMB506は2.4GHzまで動作するのに、トランジスタ1石のレベル変換回路の動作不良で1.5GHzぐらいまでしか使えませんでした。頭に来て、Eの回路を組みこんだところ、ちゃんと2.4GHzまで十分動作しました。オリジナルのレベル変換回路では数MHzまでしか動作していなかったわけです。この事は秋月もすぐ気がついたらしく、その後追加購入した回路は私の改良した回路と同じになっていました。(証拠のキット説明書もちゃんと残っています。)
その時はあまり考えずにEの回路を選択したのですが、レベル変換回路は何種類か使用例があって比較した記事を見たことが無かったので、その後どの回路が最も有効か調べてみたくなったわけです。
結論はやはり最初に選択した、Eのシュミットトリガタイプが最も安定していて最良と思います。
A,Bのアンプ形式のものは、どうしても無入力の時に発振します。正規の信号が入ればそれに強制同期しますから常時信号が入力されている場合、例えばPLL回路のVCO出力の分周器などには使えます。信号が極端に小さい時などは有効かもしれません。
テーマ5:ニッカド電池充電回路
テーマ3のトランスレスAC変圧回路実験時に負荷抵抗を変えても電流がほぼ一定なことに気が付いていましたが、この回路に画期的利用方法があることにその時は気が付きませんでした。

しかし、よく考えて見ると、この回路は定電流出力回路なんです。
定電流回路といっても脈流なんですが、ニッカド電池などの充電には問題ありません。
電流値はAC電圧と周波数が一定ならば、コンデンサ容量と電池端子電圧から次式で決まります。
I=240・(141−Vb)・C (関西の場合です。関東では240→200)
この充電器の優れた点の一つは充電する電池数を選ばないことです。
式から分かるように元電圧が141Vもあるので、同じ電流容量の電池ならば1セルでも10セルでもほぼ同じ電流になります。
ニッカド電池10セル直列にしても、充電時の電圧は14V程度ですから1セルの場合と比較して10%しか減少しません。ましてや、充電中の電池端子電圧変動による充電電流変化は定電流充電器として無視できます。
もう一つの優れた点は効率の高いことです。
コンデンサに充電された電荷をバケツリレーのように電池に充電していくため、ダイオードの順方向電圧分ぐらいのみがロスになるだけで、充電インジケータなどをつけなければほぼ100%の効率になります。
私の頭ではこれ以上効率の良い充電器は想像できません。
この回路にする前は、わざわざ直流に直した後、可変3端子レギュレータ317を用いた定電流回路を用いていました。そのため、充電に必要な電力のかなりの部分が熱として放出されていました。
また定電流充電ですから充電する電池数が少ないと充電器で無駄になる電力が増して、充電器が加熱して気持ちの良いものではありませんでした。
この充電器ならば、同じ容量の電池ならば1セルでも10セルでも同様に接続して充電すればよく、発熱もまったく感じられません。
欠点としてはトランスがないので、充電中に電池端子に触ると感電する恐れがあること、充電器をコンセントに刺してから電池をつなぐと、端子に100V近い電圧が出ているので火花が飛んで驚くことぐらいです。
これはコンデンサに急に充電電流が流れるためで、LEDによるインジケータに並列にダイオードが入っているのは、そのサージ電流からLEDを保護するためです。コンデンサに並列に入っている抵抗は、使い終わった後に、コンデンサを放電させるためのものです。
これらの欠点を考慮しても、効率の高さと電池の数を選ばない点から、ニッカド、ニッケル水素電池の定電流充電回路としてはこれを超える物は無いと思います。最近は250V耐圧で10μFのフィルムコンデンサが容易に入手できますので、単1電池クラスの充電器でも十分小型に作れます。コンデンサを切り換えられるようにしておけば、万能充電器となります。
私の所にある急速充電以外の充電器は全てこの方式に切り換えました。(’02 9/6)