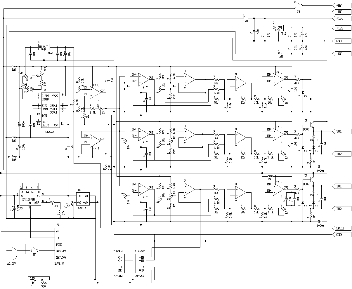
制御回路は3回路分ありますが、使っているのは2回路だけです。