
ラジオの製作’76年?2月号製作記事の回路図です。6AU6プレート負荷の100Hチョークコイルと定電圧放電管VR−105によるスクリーングリッド電圧の安定化が高性能の決め手です。この回路図が全ての始まりになりました。

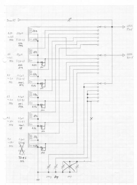
6バンドのアンテナコイル部分です。バリコンはFM、AMチューナー用と思われる2連(AMとFMで4連)を用い、3から6バンドはAM用の片方のはねを抜いて容量を減らして使用しました。正帰還用コイルと並列に100Ωのトリマーを入れて、これで正帰還量を調整します。アンテナコイルと前段との結合度の調整にバリコンを用いていますが、受信周波数が変化して使い難いのでボリュームに変更する予定でした。

高周波増幅回路です。各バンドのフィルターはLPF、HPFの組み合わせで作りました。6BA6を使う予定でしたが、バンドパスフイルターと真空管のインピーダンスマッチング、非同調となるプレート負荷回路はどうするのかまだ決めていませんでした。