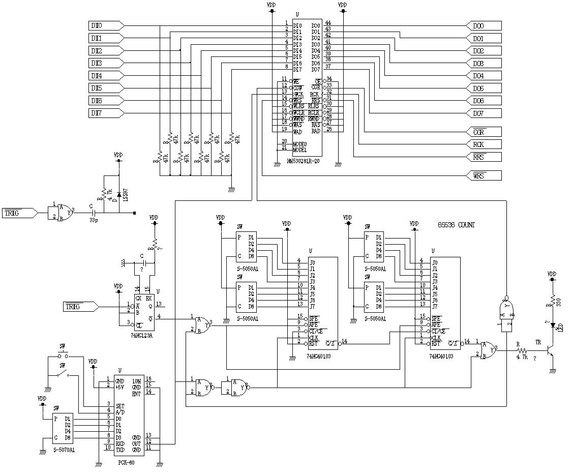
PCK−80はクロックジェネレータ、S−5050A1は4bitのデジタルSWです。TRIGの立下りでカウンタをリセットし、設定した数のクロックの間だけ、HM530281のCGWをLOWにしてデータを書き込みます。読み出しはRCK、CGWをパソコンから入力して行います。WRS,RRSはアドレスカウンタのリセット入力で、これもパソコンから送って制御します。